اكتشاف آثار ديناصورات نادرة في أستراليا
اكتشاف مذهل في أستراليا! آثار أقدام 47 ديناصورًا من العصر الجوراسي المبكر على لوح صخري في مدرسة ثانوية تكشف عن سلوكياتهم. هذا السجل النادر يوفر لمحة فريدة عن عالم الديناصورات قبل 200 مليون سنة. تابعوا التفاصيل على خَبَرَيْن.



اكتشاف آثار أقدام الديناصورات في أستراليا
كشفت دراسة جديدة عن وجود سجل رائع من العصر الجوراسي المبكر مختبئ على مرأى من الجميع منذ 20 عامًا على لوح صخري معروض في مدرسة ثانوية في بيلويلا بأستراليا.
أهمية الاكتشاف في العصر الجوراسي المبكر
وبينما كان الباحثون يعلمون أن عمر اللوح الذي يبلغ طوله 1.5 متر (حوالي 5 أقدام) يبلغ حوالي 200 مليون سنة ويوجد به عدد كبير من آثار أقدام الديناصورات المرئية، إلا أن أهمية الحفرية ظلت غير واضحة.
تحديد الأنواع والأهمية العلمية
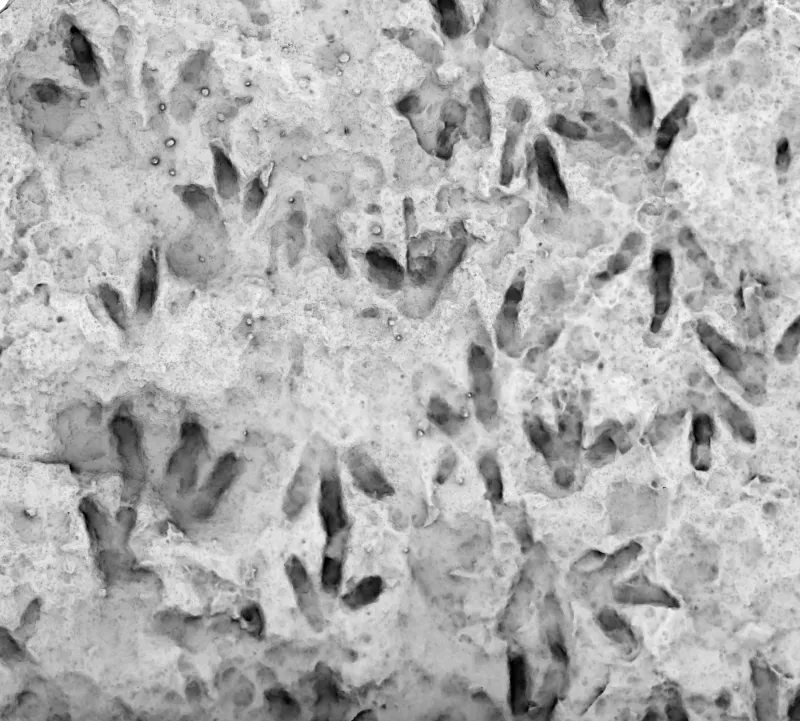
أما الآن، فقد عثر فريق من علماء الحفريات الذين يدرسون سطح الصخرة على 66 أثرًا متحجرًا لأقدام 47 ديناصورًا تنتمي إلى فصيلة الأنيموسكيات Anomoepus scambu. الديناصورات المتحجرة هي كائنات حية يتم التعرف عليها فقط من خلال الحفريات الأثرية، أو الحفريات التي هي عبارة عن آثار أقدامها التي تتركها مثل آثار الأقدام، وليس الكائنات الحية الفعلية.
تحليل آثار الأقدام المكتشفة
يمثل هذا الاكتشاف واحدًا من أعلى تركيزات آثار أقدام الديناصورات لكل متر مربع تم توثيقها على الإطلاق في البلاد، ويوفر "لقطة غير مسبوقة" لوفرة الديناصورات خلال العصر الجوراسي المبكر، وهي فترة لم يتم خلالها اكتشاف عظام ديناصورات في أستراليا، وفقًا لبيان صحفي من جامعة كوينزلاند. نُشرت النتائج في مجلة البيولوجيا التاريخية في 10 مارس.
الحفريات الأثرية غير المتوقعة
قال المؤلف الرئيسي للدراسة الدكتور أنتوني روميليو، عالم الحفريات والباحث المشارك في مختبر الديناصورات بالجامعة، إن حقيقة أن هذه الحفرية انزلقت تحت الرادار لعقود ليست مفاجئة.
{{MEDIA}}
قال روميليو في رسالة بالبريد الإلكتروني: "تميل آثار أقدام الديناصورات الأحفورية إلى أن تكون أقل من قيمتها إلى حد كبير حتى من قبل العديد من (علماء الحفريات)."
التقنيات المستخدمة في الكشف عن الآثار
ولكن في أستراليا، نظرًا لأن أقدم عظام الديناصورات المتحجرة تعود إلى العصر الجوراسي الأوسط، أي منذ حوالي 160 مليون سنة، "فإن أحافير آثار الأقدام هي الدليل المباشر الوحيد الذي تمتلكه بلادنا على أنواع الديناصورات التي كانت لدينا هنا (خلال العصور السابقة)"، كما قال روميليو. والأكثر من ذلك، فإن اللوح يقدم لمحة نادرة عن سلوك ونشاط ديناصور لم يتم وصفه إلا من خلال آثار أقدامه التي عُثر عليها في أجزاء مختلفة من العالم، كما يقول الخبراء.
وباستخدام التصوير ثلاثي الأبعاد المتقدم ومرشحات الضوء، تمكن روميليو من الكشف عن التفاصيل المخفية في اللوح الحجري، وكشف عن العديد من آثار الأقدام وغيرها من السمات مثل الاتجاه الذي كانت تتجه إليه الحيوانات التي صنعت الآثار.
وقال روميليو إن آثار الأقدام المتحجرة البالغ عددها 66 أثرًا، والتي يتراوح حجمها بين حوالي 5 سنتيمترات إلى 20 سنتيمترًا (حوالي 2 إلى 8 بوصات)، تكشف أن الديناصورات كانت تعبر نهرًا على الأرجح أو تصعد وتنزل على طول النهر. وأضاف أنه نظرًا لعدم وجود علامات تموجات على سطح الصخور، فمن الصعب تحديد اتجاه جريان النهر، لكن المسارات تُظهر بوضوح أن الديناصورات كانت تسير في اتجاهين.
وجد روميليو من خلال تحليله ما مجموعه 13 تسلسلًا من آثار الأقدام التي تنتمي إلى 13 ديناصورًا من الديناصورات التي صنعت المسارات. أما آثار الأقدام المتبقية، التي يصل مجموعها إلى 34 أثرًا، فقد صُنِّفت على أنها آثار أقدام معزولة، وهو ما يمثل إجمالي 47 فردًا. وقال روميليو إن الديناصورات التي صنعت الآثار كان لها أرجل يتراوح طولها بين 15 إلى 50 سم (حوالي 6 إلى 20 بوصة) إلى جانب جسم مكتنز وأذرع قصيرة.
قال الدكتور بول أولسن، عالم الحفريات وأستاذ علم الحفريات وأستاذ آرثر د. ستورك التذكاري لعلوم الأرض والبيئة في جامعة كولومبيا، إنه على الرغم من أن الحفريات الأثرية غالبًا ما يتم تجاهلها لأنها أكثر شيوعًا من عظام الديناصورات، إلا أنها يمكن أن "توفر قدرًا هائلاً من المعلومات عندما يتم تحليلها بشكل صحيح". لم يشارك أولسن، الذي درس أنومويبوس، في هذه الدراسة الجديدة.
"(آثار الأقدام) توفر معلومات حول الحيوانات التي كانت موجودة على الرغم من أننا لا نملك العظام... إنها حقًا مثل مجموعة بيانات موازية تسمح لنا بتتبع، التلاعب بالألفاظ، ما يحدث عندما تكون العظام نادرة. وهذا هو السبب في أنها مهمة جداً".
ومن خلال ما هو معروف عن المسارات الأخرى التي عُثر عليها في أجزاء من الولايات المتحدة وأوروبا وأفريقيا والصين، فإن الديناصور أ. سكامبوس كان ديناصورًا ثلاثي الأصابع ثنائي الأرجل ينتمي إلى فصيلة الأورنيثيشيانات التي تضم ديناصورات أخرى آكلة للنباتات مثل ديناصورات البط والتريسيراتوبس، وكان له مناقير في مقدمة فمه مع أسنان طاحنة، كما قال أولسن.
أهمية الحفريات في فهم التاريخ الجيولوجي
وأضاف أن آثار الأقدام الجديدة هذه، التي تحافظ على الكثير من التفاصيل التشريحية، تدعم بشكل أكبر أن "الديناصورات الأورنيثيشية الصغيرة حققت انتشارًا عالميًا مع بداية العصر الجوراسي".
حلل مؤلفو الدراسة أيضًا حالتين أخريين من الحفريات الأثرية التي تم العثور عليها في مواقع غير متوقعة. فقد وجدوا أن صخرة تزن 2,000 كيلوغرام (حوالي 4,400 رطل) تستخدم كعلامة دخول لموقف السيارات في منجم كاليد بالقرب من بيلويلا تحتوي على أثرين مميزين تركهما ديناصور أكبر قليلاً. وصخرة ثالثة من مجموعة شخصية (تُستخدم كمسند للكتب) لها أثر قدم واحد.
{{MEDIA}}
كما أوضح روميليو أن اللوح الصخري الموجود في المدرسة الثانوية كان في الأصل من منجم كالايد، وهو منجم مفتوح، مما يعني أن الصخور التي تعلوه يتم إزالتها للوصول إلى الفحم الموجود تحته. وخلال عملية استخراج الصخور الفوقية، التي تمتد لعدة أميال وتعود إلى العصر الجوراسي المبكر، يمكن العثور على آثار أقدام أحفورية مثل هذه.
وقال روميليو: "من المؤكد أن هناك العديد من الحفريات الموجودة هناك". "سواء تم رصدها في الوقت المناسب، أو ما إذا كان من الآمن التقاطها فهذا شيء آخر تمامًا. نحن محظوظون فقط لأن هذه الحفريات وبعض الحفريات الأخرى قد تم رصدها واستخراجها وإتاحتها لأشخاص مثلي لدراستها ومشاركة النتائج التي تم التوصل إليها."
أخبار ذات صلة

رواد الكم الذين أتقنوا السرية يتلقون جائزة تورينغ

اكتشاف أكبر مستعمرة مرجانية في العالم قبالة سواحل أستراليا بواسطة فريق مكون من أم وابنتها

العلماء يكتشفون أول دليل مادي على أن الرومان استخدموا براز البشر كدواء
